Site hosted by Angelfire.com: Build your free website today!
Product










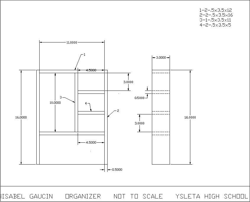
Planning- Making an Auto CAD project, planning the size, and the way its set up.  The next step is measuring the wood, making all the pieces needed for it. There are 2-16 inch pieces, 2 -11", 1-10", and 2-5.5 inch pieces.

 
 

Cutting- Get a long piece of wood. Plan all the parts you need and measure them the size that you need them. Then start cutting every piece that you need.

 

Edge banding- Band one of the sides of the wood. You glue the material with the iron and make sure it sticks correctly. The next step is to cut the pieces that aren't needed.

 
 
 

Sanding- Smoothing the edges so that they won't be rough or out of shape.

 

Assembly- Putting the project together, pinning each of the pieces together and assembling it with glue.

 
 

Finishing- Having all the pieces together and finishing up the pinning. Paint the project any color desired and let it dry in free air.

 
 
 
 
 
 
 
 
 
 
 
 
 
 
 
 
 
 

back to main

back to contact us

back to company history